Бойлер Isotemp Basic 24 Double Coil
ОПИСАНИЕ.
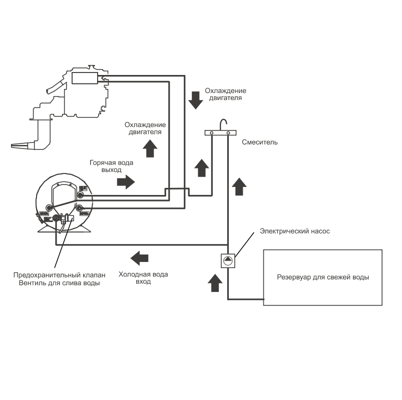
Бойлер Isotemp Basic Double Coil объёмом 24 литра подойдёт для подогрева воды в автодоме, кемпере, караване, на катере или яхте. Оснащён нагревательным элементом на 750 Вт/220 Вольт, а также двумя встроенными змеевиками, позволяющими нагревать находящуюся в бойлере воду от горячего антифриза, посредством интеграции бойлера одновременно и в контур системы охлаждения двигателя и в контур жидкостного подогревателя.
Наличие двух независимых змеевиков даёт колоссальное преимущество. Когда вы в движении, то вода в бойлере подогревается от змеевика, по которому циркулирует горячий антифриз системы охлаждения двигателя. Если же вы на кемпинге или в яхт-клубе и двигатель не заведён, то через второй змеевик циркулирует горячий антифриз из контура предпускового подогревателя двигателя, в случае, если у вас система отопления организована на его базе.
Теплообменник бойлера выполнен из нержавеющей стали высокого качества, а тэн изготовлен из меди с покрытием из никеля. Толстая изоляция из полиуретана является залогом минимизации тепловых потерь. Водонагреватель питается чистой водой при помощи электрического насоса под давлением в водопроводной системе. Максимальное рабочее давление насоса должно составлять не более 3.8 бар. Basic 24 Double Coil оснащён термостатическим смесительным вентилем, позволяющим настроить подходящую температуру воды в диапазоне 38-65 °C. В электрическую цепь нагревательного элемента встроены термостат, срабатывающий при температуре воды 75 °C и предохранитель от перегрева на 96 °C, который сработает в случае, если по неосторожности включили бойлер без наличия воды в нём.
Водонагреватели серии Basic Double Coil разработаны для работы в условиях горизонтального монтажа, но их можно устанавливать и в вертикальном положении. Допустимые положения подробно показаны на фото к товару. Главным правилом является расположение выпускного/предохранительного вентиля: он всегда должен находиться в нижней точке. В случает «врезки» водонагревателя в контур системы охлаждения двигателя, необходимо размещать бойлер ниже уровня расширительного бачка системы охлаждения двигателя транспортного средства.
Оплачивайте покупки удобным способом. В интернет-магазине доступно 3 варианта оплаты:
- Наличные при самовывозе или доставке курьером. Специалист свяжется с вами в день доставки, чтобы уточнить время и заранее подготовить сдачу с любой купюры. Вы подписываете товаросопроводительные документы, вносите денежные средства, получаете товар и чек.
- Безналичный расчет при самовывозе или оформлении в интернет-магазине: карты МИР, Visa и MasterCard. Чтобы оплатить покупку, система перенаправит вас на сервер системы ASSIST. Здесь нужно ввести номер карты, срок действия и имя держателя.
- ЮMoney при онлайн-заказе. Для совершения покупки система перенаправит вас на страницу платежного сервиса. Здесь необходимо заполнить форму по инструкции.
Экономьте время на получении заказа. В интернет-магазине доступно 4 варианта доставки:
- Курьерская доставка работает с 9.00 до 19.00. Когда товар поступит на склад, курьерская служба свяжется для уточнения деталей. Специалист предложит выбрать удобное время доставки и уточнит адрес. Осмотрите упаковку на целостность и соответствие указанной комплектации.
- Самовывоз из магазина. Список торговых точек для выбора появится в корзине. Когда заказ поступит на склад, вам придет уведомление. Для получения заказа обратитесь к сотруднику в кассовой зоне и назовите номер.
- Постамат. Когда заказ поступит на точку, на ваш телефон или e-mail придет уникальный код. Заказ нужно оплатить в терминале постамата. Срок хранения — 3 дня.
- Почтовая доставка через почту России. Когда заказ придет в отделение, на ваш адрес придет извещение о посылке. Перед оплатой вы можете оценить состояние коробки: вес, целостность. Вскрывать коробку самостоятельно вы можете только после оплаты заказа. Один заказ может содержать не больше 10 позиций и его стоимость не должна превышать 100 000 р.
